Direkt zum Hauptinhalt
+49 (0)30 77 19 635
info@power-tronic.com
Deutsch
Home
Produkte
AC-Motors
Induktionsmotoren
Unidirectionale Synchronmotoren
Bidirectionale Synchronmotoren
Spaltpolmotoren mit Getriebe
BLDC-Motors
Aussenläufer
Flachgetriebemotoren
Getriebemotoren mit Elektronik
Motoren ohne Getriebe
Planetengetriebemotoren
Planetengetriebemotoren
High Torque | Low Noise | Long Life
DC-Motors
High-Grade
bis Ø 80mm
Low-Cost
bis Ø 52mm
Planetengetriebemotoren
Planetengetriebemotoren
High Torque | Low Noise | Long Life
Stirnradgetriebemotoren flach
Stirnradgetriebemotoren rund
Winkelgetriebemotoren
Stepper motors
Hybrid Schrittmotoren
Bipolar mit Stirnradgetriebe
Unipolar mit Stirnradgetriebe
Encoders
Magnetische & optische Encoder
Low backlash planetary gearbox
Spielarme Planetengetriebe
Linear Actuator
Linearaktuatoren mit Schrittmotor
About us
Downloads
Data sheets
Product Catalog
Certificates
News
Contact
Produktkatalog
Home
»
Products
»
Linear Actuator
»
2 Phase Stepper Motor Linear Actuator Type LASH57
2 Phase Stepper Motor Linear Actuator Type LASH57
High Precision | Long Life | Low Noise | High Efficiency
Optionen
Various Step Sizes
3 and 5 Phases
Customised Shaft
Customised Cable & Connector
Produktdatenblatt
PDF herunterladen
Produkt anfragen
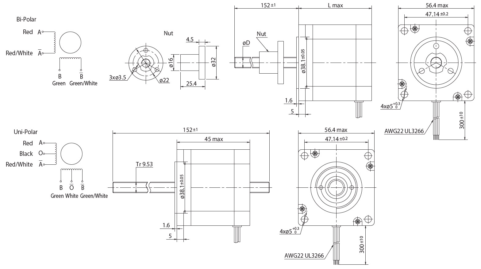
Anschlüsse
Kraft-Kennlinien
Sie haben Interesse an
2 Phase Stepper Motor Linear Actuator Type LASH57
Wir individualisieren dieses Produkt für Sie. Wenden Sie sich direkt an uns, um Ihre Fragen zu klären.
Stephan Hale
Geschäftsführer
Kontaktformular Produktseite
Name
E-Mail
Ihre Nachricht
Ich bin damit einverstanden, dass diese Website meine eingereichten Informationen speichert, damit sie auf meine Anfrage antworten können
Anfrage senden
Weitere Produkte
Stepper motor
3 models
2 Phase Stepper Motor Linear Actuator Type LASH20
Rated Current (A) 0.2 - 0.6
Holding Torque (Ncm) 2.0 - 3.0
Datenblatt downloaden
Produktdetails
Stepper motor
3 models
2 Phase Stepper Motor Linear Actuator Type LASH28
Rated Current (A) 0.345 - 0.67
Holding Torque (Ncm) 6.0 - 10.0
Datenblatt downloaden
Produktdetails
Stepper motor
3 models
2 Phase Stepper Motor Linear Actuator Type LASH35
Rated Current (A) 0.8 - 1.5
Holding Torque (Ncm) 22.0 - 28.0
Datenblatt downloaden
Produktdetails
Stepper motor
4 models
2 Phase Stepper Motor Linear Actuator Type LASH42
Rated Current (A) 0.4 - 1.7
Holding Torque (Ncm) 28 - 50
Datenblatt downloaden
Produktdetails