
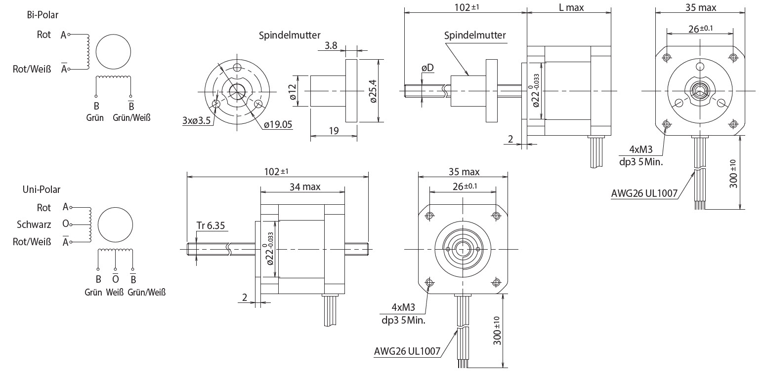
Modell | Nennstrom (A) | Phasen- Widerstand (Ω) | Phasen- Induktivität (mH) | Zuleitung (Nr.) | Haltedrehmoment (Ncm) | Motorlänge L (mm) | Schrittwinkel (°) |
|---|---|---|---|---|---|---|---|
| LASH35.34-3402 | 0.8 | 7.5 | 11 | 4 | 22 | 34 | 1.8 |
| LASH35.34-3415 | 1.5 | 2.2 | 2.5 | 4 | 22 | 34 | 1.8 |
| LASH35.44-6415 | 1.5 | 3.2 | 3.5 | 4 | 28 | 44 | 1.8 |
Code | Durchmesser øD | Linearer Weg pro Schritt | Schritt |
|---|---|---|---|
| 631-1.27 | 6.35 | 0.00635 | 1.27 |
| 631-1.59 | 6.35 | 0.0079 | 1.5875 |
| 632-2.43 | 6.35 | 0.01219 | 2.4384 |
| 632-2.54 | 6.35 | 0.0127 | 2.54 |
| 634-4.87 | 6.35 | 0.02438 | 4.8768 |
| 634-5.08 | 6.35 | 0.0254 | 5.08 |
| 634-6.35 | 6.35 | 0.03175 | 6.35 |
| 638-12.7 | 6.35 | 0.0635 | 12.7 |
| 638-25.4 | 6.35 | 0.127 | 25.4 |







Sie sehen gerade einen Platzhalterinhalt von Facebook. Um auf den eigentlichen Inhalt zuzugreifen, klicken Sie auf die Schaltfläche unten. Bitte beachten Sie, dass dabei Daten an Drittanbieter weitergegeben werden.
Mehr InformationenSie müssen den Inhalt von hCaptcha laden, um das Formular abzuschicken. Bitte beachten Sie, dass dabei Daten mit Drittanbietern ausgetauscht werden.
Mehr InformationenSie müssen den Inhalt von reCAPTCHA laden, um das Formular abzuschicken. Bitte beachten Sie, dass dabei Daten mit Drittanbietern ausgetauscht werden.
Mehr InformationenSie müssen den Inhalt von reCAPTCHA laden, um das Formular abzuschicken. Bitte beachten Sie, dass dabei Daten mit Drittanbietern ausgetauscht werden.
Mehr InformationenSie müssen den Inhalt von reCAPTCHA laden, um das Formular abzuschicken. Bitte beachten Sie, dass dabei Daten mit Drittanbietern ausgetauscht werden.
Mehr InformationenSie müssen den Inhalt von Turnstile laden, um das Formular abzuschicken. Bitte beachten Sie, dass dabei Daten mit Drittanbietern ausgetauscht werden.
Mehr InformationenSie sehen gerade einen Platzhalterinhalt von Instagram. Um auf den eigentlichen Inhalt zuzugreifen, klicken Sie auf die Schaltfläche unten. Bitte beachten Sie, dass dabei Daten an Drittanbieter weitergegeben werden.
Mehr InformationenSie sehen gerade einen Platzhalterinhalt von X. Um auf den eigentlichen Inhalt zuzugreifen, klicken Sie auf die Schaltfläche unten. Bitte beachten Sie, dass dabei Daten an Drittanbieter weitergegeben werden.
Mehr Informationen